Обычная табуретка, именно тот предмет интерьера, без которого не обходится практически ни одна квартира, ни один дом. Скажем более, наиболее популярную мебель для кухни найти сложно. На самом деле табурет можно использовать не только для кухни, но и в качестве вспомогательных сидячих мест, в дополнении к уже имеющимся.
Итак, если табурет так незаменим и необходим в хозяйстве, то стоит подумать и о том, как его можно сделать своими руками, ведь это еще один способ немного сэкономить на своих ежедневных расходах, а как мы знаем денег много не бывает! В этой статье мы расскажем о том, как изготовить табурет из дерева своими руками, при этом важно заметить, что табурет будет отличаться от того классического вида, к которому мы все привыкли. Ножки табурет будут выполнены словно по диагонали, ну да не будем вам описывать, так как лучше один раз увидеть, чем сто раз услышать…
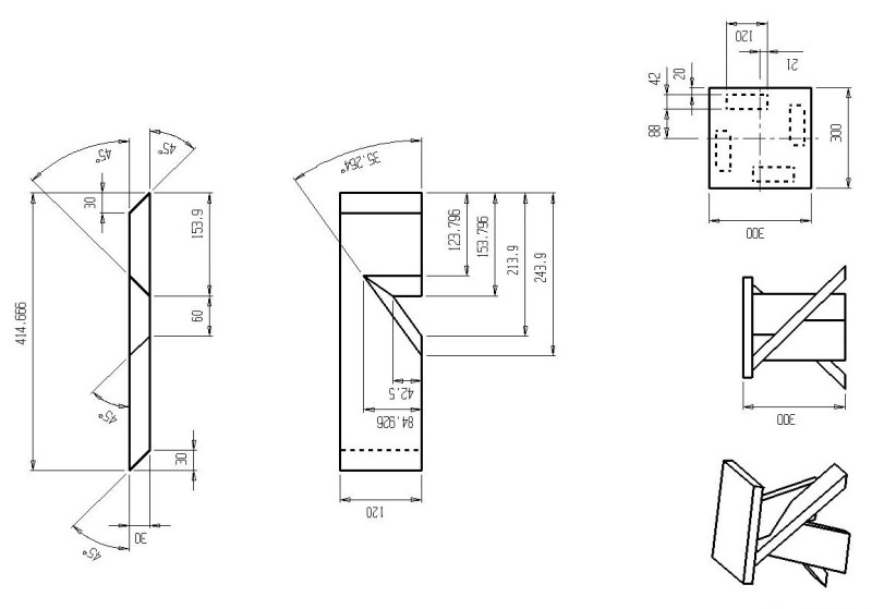
Как сделать табуретку своими руками из дерева. Пошаговые фото с чертежами (Вариант 1)
Для производства табуретки нам понадобятся доски и основание – сидение. В нашем случае это доски длиной по 500 мм и толщиной 30 мм. Сидение в виде круга было заранее приобретено в строительном магазине. Впрочем, оно может быть квадратным или также самодельным, как и наш табурет.

Далее непосредственно об изготовлении табурета…
Пожалуй, самой важной и ответственной операцией будет правильное и четкое запиливание фасок и кромок на досках. Если на этом этапе все сделать верно, то можно считать, что большая часть работы уже позади. Итак, наши четыре доски должны быть запилены согласно чертежу ниже.

Далее все ножки собираются между собой словно 3d пазлы.


После сборки получается так, что ножки, словно самостопоряться, имея утоньшение сборки к центру и увеличение габаритных размеров к низу и к верху. Сборка ножек табуретки между собой уже обеспечивает устойчивость, но без клея не обойтись.

При сборке необходимо использовать клей ПВА или другой специализированный для дерева, а до его высыхания необходимо зафиксировать детали между собой с помощью жгута или веревки.

Само сидение лучше кроме клея также посадить еще и на шканты. В итоге после склеивании табурета можно приступить к его декорированию. Так для сидения можно сшить декоративный чехол на резинке, чтобы его можно было снять и постирать, а деревянные, видные части можно покрыть морилкой в выбранный вами цвет.

Конечно, в украшении табуретки можно дойти до росписи под гжель или хохлому, или украшение стразами, но это уж у кого на что хватит фантазии и смелости. Вот и все, можно считать, что ваш табурет готов!
Однако это лишь частный случай табурета. А чтобы вы в это не сомневались, мы вам предлагаем и другой вариант изготовления табурета своими руками, а именно из массива дерева.
Табурет из массива дерева своими руками (solid wood) (Вариант 2)
В то время когда мы начинаем обустраивать вокруг себя территорию или интерьер. В общем, все то, что нас окружает, то стареемся подобрать для этого вещи приятные взгляду, из природных материалов, при этом душевно выполненные. Да, мы согласны это слишком сложное и предвзятое отношение к окружающим предметам, но ведь всегда хочется лучшего. Так вот даже обычные места для сидений, пусть то будет дачный стульчик или табуретка могут выглядеть именно так. Как мы только что описали.
Берем массив дерева, бензопилу, немного времени, умения и сил и у нас получается прекрасная вещь- предмет украшения вашего внутреннего интерьера, а при необходимости ландшафта вашего участка, это уж кому как заблагорассудиться.
Мебель из массива дерева всегда выглядела достойно, красиво и практично, разве что тяжеловато, но как говориться у всех свои недостатки. Что же, если у вас есть задумка выполнить табурет, да к тому же еще и сделать его из цельного куска дерева, то эта статья как раз об этом.
Табурет из массива дерева своими руками (solid wood) технология изготовления
Для того чтобы сделать табурет из массива дерева, то есть из цельного куска, нам необходимо будет первоначально найти такой кусок. По сути, его диаметр должен быть таким, каким вы предполагаете сидение для вашего табурета, а высота такой, какой будет высота табуретки. Здесь все просто.

Далее вам понадобиться бензо- или электро- пила. Выпиливать табурет из массива обычной пилой не то что нереально, а очень уж трудоемко и соответственно долго.
Первоначально необходимо определиться с тем, где и под каким углом будут расположены ножки табурета.
Лучше всего нарисовать какой-то эскиз, если можно то нанеси углы линий прямо на заготовке из дерева.
Далее спиливаем у бревна опорную ровную поверхность, которая будет сидением табурета и устанавливаем на эту поверхность заготовку.
Начинаем выпиливать ножки. Здесь необходимо иметь кое-какой опыт владения пилой, так как необходимо выдержать угол, не уйти от примерный форм, чтобы потом не переделывать все. В худшем случае и вовсе можно испортить заготовку так, что она пойдет лишь на растопку.

В итоге, у нас должны получиться 4 ножки, которые мы и выпилим с помощью пилы. Можно сказать это грубая механическая обработка. Далее начинается детальная зачистка и формирование более точных форм и шероховатостей.
Окончательные резы делаем все той, же пилой, разве что теперь мы не срезаем слои, а «гладим» цепью пилы по ножкам и поверхностям будущего табурета.

После того, как основные формы выполнены, необходимо обработать табурет при помощи болгарки и металлической щетки для зачистки.
Металлическая щетка сгладит все неровности, удалит занозы, сделает поверхность гладкой, и кроме того, искусственно состарит дерево, по крайней мере, от нее останется такой эффект.

Далее останется покрыть табурет морилкой того цвета, который вам по нраву и защитить все сверху лаком.

Конечно дождаться пока морилка и лак высохнет. Вот теперь и все. Табурет из массива дерева готов.
Если говорить об особенностях изготовления табурета, то здесь необходимо акцентировать внимание на том, чтобы правильно подобрать места расположения ножек. Так как дерево материал уникальный, то есть со своими особенностями, расположением сучков, трещинами, то здесь, каждый раз необходимо смотреть наиболее подходящие места для того, чтобы выполнить силовые элементы или чуть принять в сторону, дабы не ослабить конструкцию, за счет неверного их расположения.
Также еще раз хотели бы повториться по поводу того, что такой табурет будет все же особой мебелью, ведь дела даже не в том, что он выполнен своими руками, что также важно, но и то, как он сделан. Природный цельный кусок материала – дерево, способен все же добавить свое индивидуальное «Я» в вашу обстановку, не только проявив себя, но и дополнив общую картину вокруг вас.