Покупая тельфер, коих много на просторах маркет плейсов или в реальных продажах, скажем на рынке, любой кто эксплуатировал данное изделие отметил для себя некоторые его особенности. Одна из них, это то, что тельфер управляется через пульт только тогда, когда нажата кнопка "вверх" или "вниз", то есть у него нет фиксации кнопки, что само по себе и логично, так как в комплекте нет концевых датчиков. До тех пор пока вы жмете на кнопку, работает электромотор, как только отпускаете, он останавливается. И вот тут, если необходима будет доработка, в виде концевых датчиков, как раз и встает вопрос о том, чтобы один раз нажать на кнопку и отпустить. При этом чтобы двигатель работал до крайнего положения срабатывания концевого датчика.
Особенно данная функция актуальна при условии, что тельфер работает через полиспаст, через блок... При этом достижения конечных положений может занять несколько минут. И вот стоять и держать кнопку все это время не прельщает.
Вот после постановки такой задачи и было решено набросать схемку, которая как раз бы при нажатии кнопки вверх или вниз отрабатывала бы цикло до момент срабатывания концевого датчика, будь то низ или верх. Далее как раз о ней.
Схема управление тельфером (лебедкой) вверх вниз по концевым датчикам с отключением без фиксации кнопки
Взгляните на схему... Сейчас постараюсь весьма доступно описать принцип ее работы.

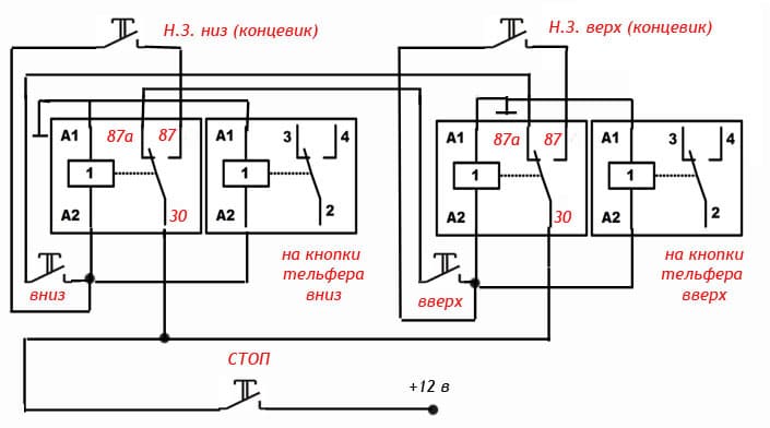
Для схемы были взяты автомобильные реле, как наиболее универсальные, которые всегда можно будет найти в магазинах в случае чего. Само собой для их питания нужен блок питания, порядка 12-14 вольт, с током около 150 мА. Всего использовано 4 реле, можно сказать они работают попарно. Два реле для управления движением вверх и два движением вниз. Первое реле является управляемым от кнопки и от датчика, а вот в паре с ним реле коммутирует уже силовые токи в пульте тельфера или сразу напрямую на двигатель, это уж как вам надо.
Рассмотрим "одну половину" дабы понять принцип, вторая часть работает аналогично.
Итак, скажем мы нажимаем кнопку "вниз", которая подключена через группу контактов оппозитного реле, при этом происходит питание катушки и она переключает контакты. Теперь катушка питается через нормально замкнутый концевой датчик и тем самым нет смысла удерживать кнопку, ее можно отпустить. Второе реле в паре своей катушкой подключено параллельно, а значит может управлять силовыми токами электромотора. В итоге, когда сработает концевой датчик, он отключит цепь питания всех включенных рели и контакты вернутся в исходное положение. Тем самым из-за разрыва цепи мотор остановится. Здесь также есть своеобразная защита от возможности нажать на кнопку "вниз" и "вверх"! Так часто такая защита на штатных пультах тельферов выполнена в виде кнопки - качели, дабы не включить два направления сразу, тем самым не устроить КЗ. Так вот это замысловатое подключение кнопок вниз и вверх через оппозитные реле, их группу контактов, по факту предотвращают возможность обоюдного включения сразу двух пар реле. Так как разомкнутый контакт в одной группе, автоматически ограничивает возможность включения управляющей кнопки в другой группе.
По хорошему надо бы подумать и над тем, чтобы исключить срабатывания кнопки вниз или вверх при уже сработанном концевике, так по факту можно принудительно запустить мотор, удерживая эту кнопку, то есть она продолжит работать, только в режиме без фиксации, назову его ручным режимом... Кому то это может быть надо, кому-то нет.
Если необходимо полностью ограничить ручной режим, то можно реализовать схему так.
