Применение в радиоаппаратуре электронного регулятор громкости может изменить характеристики и эксплуатационные ее свойства к лучшему. Так к достоинствам электронных регуляторов можно отнести отсутствие помех и шумов возникающих при регулировке (скрипы, щелчки). Электронный регулятор может комплектно использован в радиоаппаратуре с устройствами дистанционного управления. Вместо кнопок регулировки, возможно установить реле, управляемые посредством ик - излучения или радиосигналом.
Характеристики стереорегулятора громкости на микросхеме КА2250
Диапазон пропускаемых частот 20-20000 Гц;
Напряжение питания от 6 до 16 вольт;
Максимальное входное напряжение не более 2,5 в;
Регулировка громкости от 0 до 64 дБ;
Шаг регулировки 2 дБ.
Принципиальная схема и плата для монтажа электронного регулятора громкости
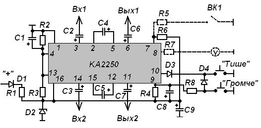
Далее приведена схема и ее описание для сборки стереофонического электронного регулятора громкости. Стеререгулятор собран на базе микросхемы КА2250, управляется двумя кнопками без фиксации. К регулятору можно подключить стрелочный индикатор через резистор R7 (смотрите электрическую схему). Выключателем ВК1 через резистор R5 индикатор может быть заблокирован, отключен. Провода подающие звуковую частоту и снимающие ее с регулятора громкости, должны быть экранированы. Регулятор громкости при условии правильной сборки и использования исправных радиодеталей в настройке не нуждается.
Рис. 1 Принципиальная электрическая схема регулятора громкости на микросхеме КА2250 (Toshiba)

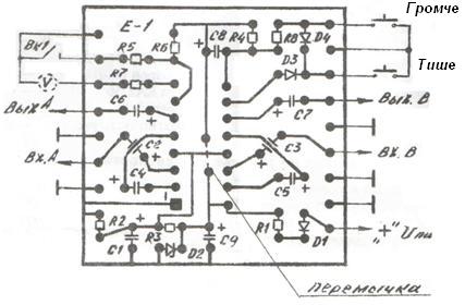
Рис.2 Размещение радиоэлементов на монтажной плате электронного стереорегулятора громкости

Рис. 3 Внешний вид платы (размер 40 мм ширина * 38 мм высота)
Радиоэлементы применяемые для сборки электронного стереорегулятора громкости на базе микросхемы КА2250
Резисторы:
R1 - 51 ом - 1 шт.;
R2 - 22 к - 1 шт.;
R3 - 22 к - 1 шт.;
R4 - 100 к - 1 шт.;
R5 - 1 к - 1 шт.;
R6 - 51 к - 1 шт.;
R7 - 1 к - 1 шт.;
R8 - 33 к - 1 шт.
Мощность резисторов - 0,25 Вт
Конденсаторы:
С1 - 22 мкФ/16 вольт - 1 шт.;
С2 - С8 - 4,7 мкФ/16 вольт - 7 шт.;
С9 - 47 мкФ/16 вольт - 1 шт.
Другие радиоэлементы используемые в схеме:
Диод D1, D3, D4 - RL522 - 3 шт.;
Стабилитрон D2 - Д814Д - 1 шт.;
Микросхема КА 2250
Электронный регулятор может быть успешно использован с усилителем НЧ, описанным в статье "Усилитель на микросхеме TDA 1554q, 1555q, 1558q"