Счетчик электроэнергии неотъемлемая часть любой схемы электропитания квартиры, дома, офиса, любого другого помещения с контролируемым энергопотреблением.
В данной статье мы рассмотрим вопрос подключения счетчика, чаще всего применяемого для квартир - однофазного, на напряжение 220 вольт. Также дополнительно будет рассмотрен и вариант, типовая схема, подключения трехфазного счетчика электроэнергии на 380 вольт.
Требования при подключении счетчика электороэнергии к месту установки и подключаемой сети
Счетчик подключается к сети переменного тока и устанавливается в местах имеющих дополнительную защиту от влияния окружающей среды (помещения, стойки, электрические щиты и электрошкафы) с рабочими условиями применения:
- рабочий диапазон температур от -30 до +60 градусов Цельсия;
- относительной влажностью 30-98 %;
- давление от 537 до 800 мм ртутного столба;
- частота тока 50+/- 2,5 Гц;
- форма кривой напряжения с коэффициентом несинусоидальности - не более 12 %.
Кроме того, должны соблюдаться следующие требования "Правила учета электрической энергии" (пункт 3.5.),"Правила функционирования розничных рынков электрической энергии в переходный период реформирования электроэнергетики" пункт 139, пункт 140, пункт 141.,"Правила предоставления коммунальных услуг гражданам" пункты 52 - 53, "Правила устройства электроустановок" пункты 1.5.13 - 3.4.4
Самое важное по технической части из всего этого, что счетчик должен быть не ниже класса точности 1 см. на рисунке далее, иначе вам просто в последствии его не примут в эксплуатацию, ну и естественно должен быть с действующим сроком поверки (см. абзац "Поверка счетчика электроэнергии")
Подключение счетчика электроэнергии (220 вольт однофазного)
Если говорить об однофазном счетчике, то в этом случае относительно мощностей и напряжений производимых непосредственно на подстанции электроэнергии используется только третья часть, если так можно выразится. Все дело в том, что промышленные электрические генераторы имеют три обмотки и в итоге три фазы. Однофазный счетчик электроэнергии и вся последующая схема фактически подключается только к одной из трех фаз. Какой? Да, любой! Здесь главная задача у проектантов и тех, кто в последствии проводит монтаж сделать так, чтобы потребители по потребляемой мощности равномерно распределялись на каждую фазу. То есть если у соседа одна фаза, то вам другую, а третьему соседу третью!
Подключение однофазного счетчика электроэнергии осуществляется по схеме приведенной ниже. Схема, как правило, приведена на обратной стороне крышки нового счетчика (показана на рисунке выше). Схема подключения для однофазного счетчика электроэнергии уже неизменна как минимум лет 40. Поэтому можете смело ее использовать если у вас есть счетчик, но нет к нему электрической схемы подключения.
Далее приведена стандартная (действующая) схема подключения счетчика на 220 вольт, взята с крышки счетчика
Приведены контакты в соответствии с реальным их расположением на счетчике (если смотреть с лицевой стороны) и входы и выходы на них: Ф - фаза, 0 - ноль, Г - ток с генератора электропроизводителя, то есть вход на счетчик, Н - нагрузка, то есть выход в вашу квартиру. 13 и 14 дополнительный выход для КИП (есть не на всех счетчиках, используется для снятия контрольных данных, измерений)
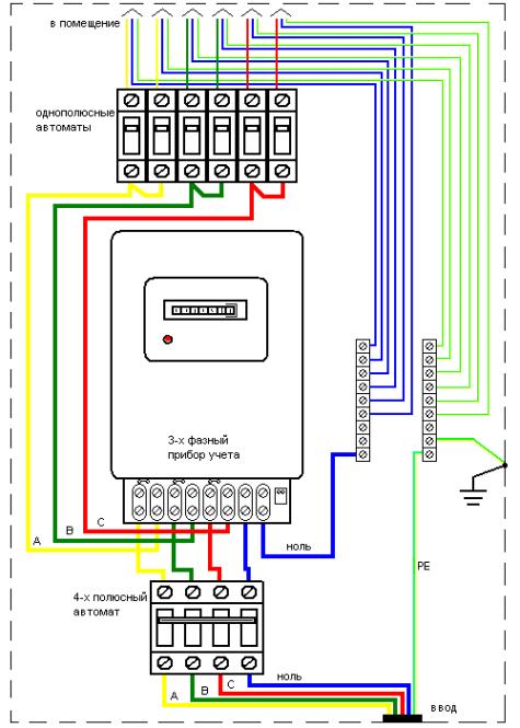
Подключение счетчика электроэнергии (380 вольт трехфазного)
Такие счетчики используются на промышленных предприятиях, для специализированного электрооборудования (например станков). Фактически это три однофазных счетчика в одном корпусе и схема подключения в три раза сложнее, вернее даже не сложнее, а более трудоемкая, так как надо подключить однофазный счетчик трижды.
Важным моментом после подключения трехфазного счетчика электроэнергии, будет равномерное распределение электрического тока между тремя фазами после него.
Цветовая маркировка проводов для подключения счетчика
Согласно правилам для подключения будь т счетчиков или каких либо других устройств, для проводов действует цветовая маркировка. Смотрите ниже.

То есть если на проводе синяя полоса или он сам синий, то это ноль. Если другой цвет, то это фаза! В большинстве случаев земля представлена в виде провода желто-зеленого цвета.
Поверка счетчика электроэнергии после первичной установки
Поверка счетчика проводится при выпуске из производства (службой ОТК предприятия), также после ремонта и в течении эксплуатации. Периодическая проверка во время эксплуатации счетчика проводится в объеме методики проверки ИНЕС. 411152.052 Д1, утвержденной ФГУП ВНИИМС, один раз в 16 лет (межповерочный интервал современных средств учета электроэнергии). То есть через 16 лет с момента выпуска счетчика электроэнергии, контролирующие органы (контроллер ЖЭК) могут его забраковать и вам придется купить новый счетчик или произвести поверку в сертифицированной организации, предоставить соответствующие документы о том, что счетчик исправен и установить его вновь на 16 лет.
Смотрите также статью "Электросчетчик индукционный и электронный. Различия и особенности".