Системами контроля доступа, а именно к этому классу устройств относится видеодомофон, в настоящее время приходится оборудовать не только офисные или особо значимые помещения и территории. Видеодомофонами приходится оборудовать и квартиры или дома. Увы, такая ситуация сложилась в нашем обществе. Любой человек хочет чувствовать себя в безопасности, особенно находясь дома, и видеодомофоны - это простой и доступный способ добиться этого.
Составляющие видеодомофона
Видеодомофон, достаточно простое устройство, состоящее из вызывной панели, в которой располагается видеокамера и переговорное устройство…
… внутренняя панель, оборудована небольшим экраном, на который поступает изображение от видеокамеры, и трубка переговорного устройства.

На внутренней панели находиться кнопка открытия двери. Дверь, как вы понимаете, оборудуется электромеханическим или электромагнитным замком, открываемым из внутренних помещений дома, или снаружи, специальными ключами, которые имеются только у хозяев дома.
Мониторы внутренней панели могут быть, как цветными, так и черно-белыми. Чувствительность черно-белых камер пока лучше, чем у цветных, поэтому изображение на мониторе у таких видеодомофонов более четкое. Кроме того, видеодомофоны могут оборудоваться несколькими камерами, установленными в разных частях дома или загородного участка. Для квартиры, использование многокамерных видеодомофонов не целесообразно.
Также необходим блок питания, как правило на 12 вольт, он обеспечивает питание всех блоков видеодомофона. Блок питания может применяться и бесперебойный, с встроенным аккумулятором.
И еще один блок, это блок памяти, в котором хранится информация о том, кто и когда приходил, на него записывается видео и аудиосигнал.

Информация пишется циклично, то есть когда память устройства исчерпывается, она начинает писать поверх старой.
Принцип работы видеодомофона
Работа видеодомофона начинается с момента нажатия кнопки вызова на вызывной панели. В этот момент включается монитор на внутренней панели. Хозяева квартиры или дома видят человека или людей, которые хотят попасть к ним, могут поговорить с ними с помощью переговорного устройства. Для дистанционного открытия двери в квартиру, или калитки в ограде загородного дома, или входной двери в дом, нажимается кнопка. Обычно, она обозначается рисунком ключа. После того, как открыта дверь, или положена трубка переговорного устройства, монитор на внутренней панели гаснет.
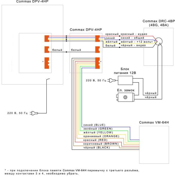
Схема подключения видеодомофона на примере комплектующих Commax
Обозначения согласно схеме подключения домофона
DPV-4HP – видеодомофон;
VM-64H - блок памяти;
DRC-4BR – внешняя панель
Здесь приведена одна из самых простых, но тем не менее функциональных схем подключений видеодомофона. Как правило стандарты цветов проводов для передачи определенного сигнала (видео или аудио) и для других моделей применяются те же.
Стоимость видеодомофона
Стоимость домофона как мы уже говорили будет зависеть от его опциональных особенностей и количества элементов в системе. (возможно применение нескольких внутренних и внешних панелей) Так вы можете выбрать домофон с цветной камерой и цветным монитором, а можете сэкономить на блоке памяти. В данном случае все зависит от ваших целей и возможностей. Далее мы приведем стоимость комплектующих, согласно схеме приведенной выше.
DPV-4HP – видеодомофон – (порядка 95 долларов)
VM-64H - блок памяти – (порядка 95 долларов);
DRC-4BR – внешняя панель – (порядка 70 долларов)
Блок питания (порядка 40 долларов)
Электрозамок (порядка 60 долларов)
Итого если посчитать, получается 360 долларов. Такова цена для видеодомофона, с монохромным монитором и монохромной камерой, и блоком памяти для записи сигнала.
Еще раз хочется повторить, что видеомониторы - это простой и доступный способ повышения вашей безопасности при нахождении в квартире или в
доме.