Истощение природных ресурсов приводит к увеличению цен на газ и электроэнергию. Поэтому уже в ближайшее время актуален переход на использование альтернативной энергии, например энергии солнца.
Предлагаю описание варианта солнечного нагревателя и использования солнечной энергии для нагрева воды, например на даче или в частном доме.
Многие дачники или жители частного дома пользуются душем, у которого вода нагревается солнечной энергией в металлической ёмкости на душе. Недостатки такой простейшей конструкции очевидны. Температура воды из такой ёмкости полностью зависит от погоды и значительно меняется в течение суток. Кроме того, надо следить за уровнем воды в баке.
У предлагаемой солнечной нагревательной установки эти недостатки проявляются в меньшей степени, а поэтому она удобнее и использовании.
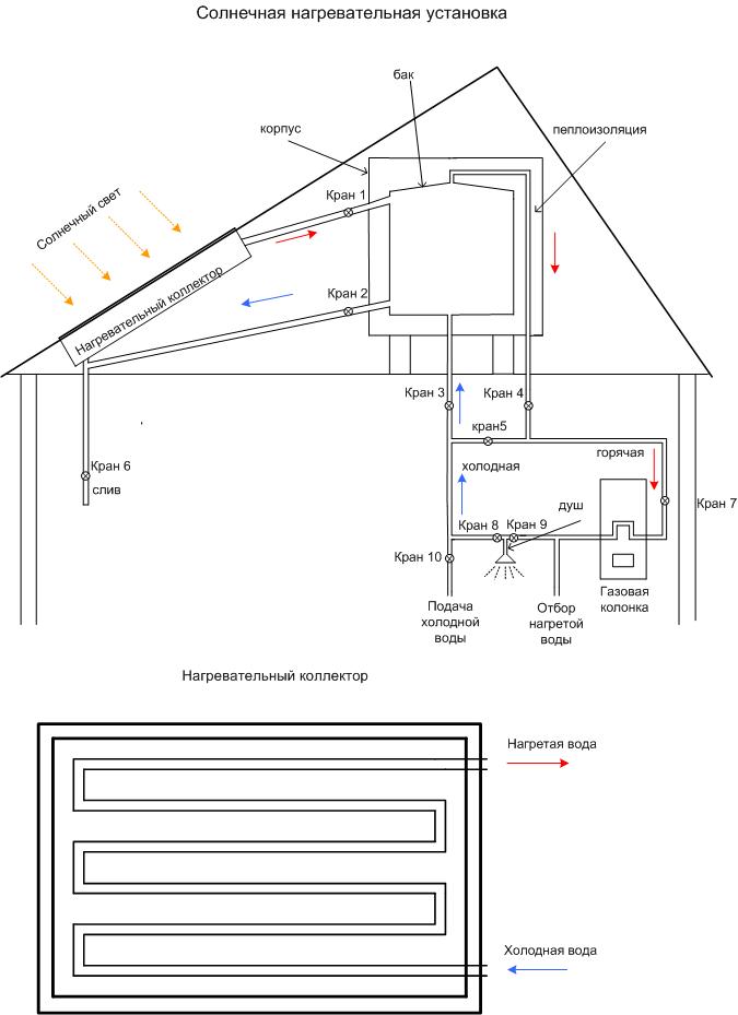
Чтобы увеличить скорость нагрева воды и её температуру используется дополнительный нагревательный коллектор. А для сохранения накопленного тепла используется теплоизоляция накопительного бака и нагревательного коллектора. Это позволяет иметь тёплую воду в довольно прохладную погоду, даже если солнце светило недолго. Вода в бак поступает через постоянно открытые краны 10, 3, и поэтому не требуется следить за доливкой воды. Выход нагретой воды через краны 4 и 7, а для душа и 9.(см. рис.)

Нагретая вода как более лёгкая из нагревательного коллектора поднимается в верхнюю часть накопительного бака. Её место занимает более холодная из нижней части бака. Нагревательный коллектор должен располагаться несколько ниже бака, тогда в нагреватель поступает более холодная вода.
Конструкция бака накопителя представляет собой металлическую ёмкость произвольной, но лучше прямоугольной формы. Эта внутренняя ёмкость вставляется в наружный корпус и ставится на кирпичи или деревянные бруски. Наружный корпус металлический или деревянный. После монтажа труб промежуток между корпусами заполняется теплоизолятором. Это может быть монтажная пена, пенопласт, стекловата или другой материал.
Хороший вариант корпуса нагревательного коллектора можно изготовить по технологии современных стеклопакетов для оконных рам с дополнительной теплоизоляцией. Или корпус может быть изготовлен по технологии изготовления бака, но верхняя часть должна быть застеклена. К внутреннему металлическому корпусу нагревательного коллектора на хомутах крепятся трубы желательно прямоугольного сечения, по которым при нагреве циркулирует вода. Внутренний металлический корпус и трубы для лучшего нагрева солнечным излучением окрашены в чёрный цвет. Поэтому солнечные лучи нагревают всю металлическую внутреннюю площадь нагревательного коллектора. Трубы прямоугольного сечения имеют большую площадь соприкосновения с чёрным металлическим листом внизу, поэтому быстрее нагреваются и отдают тепло воде. Благодаря остеклению тепло не рассеивается, нагревательная способность устройства увеличивается и можно достичь высокой температуры нагрева воды. Можно получать нагретую воду в прохладную погоду даже в начале весны и до поздней осени. Коллектор должен располагаться под наклоном в южную сторону.
Отбор нагретой воды из верхней части бака имеет существенное преимущество по сравнению с отбором снизу. При кратковременном появлении солнца в пасмурную погоду вода успевает нагреваться только в верхней части бака, а в нижней части остаётся холодной. Поэтому от этой конструкции можно получить заметно больше нагретой воды.
Летом температура нагретой воды может быть довольно высокой, поэтому для душа лучше пользоваться ею через кран смеситель, смешивая её до нужной температуры с холодной водопроводной водой.
Размеры бака и коллектора не критичны. Чем больше бак, тем больше можно накопить воды, а чем больше коллектор, тем больше скорость нагрева и температура воды в баке. Мощность солнечного излучения в летний полдень достигает 1000 ват на каждый квадратный метр площади нагревательного коллектора, а зимой в десять раз меньше. Чёрная внутренняя поверхность коллектора имеет небольшую отражательную способность и 80% - 90% тепловой энергии передаётся коллектору. Небольшая часть солнечной энергии отражается стеклом и поглощается им при загрязнении.
Ориентировочно для бака ёмкостью 0,5м3 достаточно коллектора площадью 2-3м2 и общей длиной труб в коллекторе 15-20м прямоугольного сечения 40мм * 60мм. Диаметр труб соединяющих коллектор с баком не меньше одного дюйма.
При хорошей термоизоляции вода будет нагреваться в солнечную погоду и при минусовой температуре окружающего воздуха, но при сильных длительных морозах и пасмурной погоде вода в коллекторе может замёрзнуть и произойти авария. Можно применить системы автоматического контроля и электроподогрева коллектора, но лучше на зимний период слить воду из коллектора и бака. Тогда можно пользоваться обычной газовой колонкой помимо бака через кран 5. Как заполнять систему и сливать воду из коллектора легко разобраться по рисунку.
Чтобы не беспокоиться о своевременном сливе воды из нагревателя при неожиданных заморозках и получать некоторое количество тёплой воды даже зимой можно несколько усовершенствовать солнечную нагревательную установку. Поскольку количество солнечной тепловой энергии и светлого времени зимой меньше, а тепловые потери больше, то необходимо увеличить площадь нагревательного коллектора, применять хорошую теплоизоляцию и двойное остекление. В накопительном баке вход и выход коллектора соединить теплообменником в виде спирали из труб. Нагревательный коллектор и теплообменник заполняются антифризом, тосолом, или другой незамерзающей в данной местности жидкостью. При наличии в баке теплообменника обязательно установить расширительный бачок для незамерзающей жидкости. При использовании солнечного нагревателя в холодную погоду, чтобы меньше охлаждалась вода в баке нужно увеличить разность по высоте нагревательного коллектора и бака.
Нагревательная установка находится под давлением воды в системе но при качественном изготовлении может служить многие годы. Для защиты от неожиданных протечек можно предусмотреть под установкой металлический лист с загнутыми краями и стоком воды наружу. В случае кратковременных перебоев с водой частично может помочь обратный обратный клапан в трубе подачи воды. Но многие последние усовершенствования не обязательны.
Нагретая вода собирается, прежде всего, в верхней части бака, поэтому предусмотрен отбор воды из верхней части бака, что позволяет использовать даже короткие прояснения при пасмурной погоде. Для бесперебойного обеспечения нагретой водой в любое время и в любом количестве предусмотрена возможность совместной работы солнечного водонагревателя и газовой колонки или электроводонагревателя, например, в баке-накопителе. Особенно удобно использовать газовую колонку или электрический водонагреватель после бака накопителя с автоматической регулировкой температуры. Тогда даже небольшой нагрев воды в солнечном коллекторе, например, в межсезонье или в зимний период, уменьшит расход основного энергоносителя в виде электричества или газа. При регулярном использовании нагретой воды солнечная энергия как альтернативная энергетика может быть рентабельной уже сейчас.
Количество энергии Солнца падающей в течение 1 сек. на площадку в 1 м² поставленную на границе атмосферы перпендикулярно солнечным лучам, называют солнечной постоянной равной примерно 1400 Вт/м² или 2,0 кал/см²*мин. На поверхности Земли после прохода через атмосферу энергия уменьшается и для расчётов обычно принимается 1000 Вт/м².
Расчёт экономической эффективности солнечной нагревательной установки.
Количество теплоты воспринимаемой солнечным водоподогревателем вычисляется по выражению:
Qт.с.р = Fпан Dср Вот, Вт
где Fпан - поверхность тепловоспринимающей панели коллектора, м2;
Dср - суммарный удельный поток на поверхность Вт/м2;
Вот - отражающая величина теплоотражающей панели
Удельный тепловой поток солнечной радиации Dср зависит от географического места расположения объекта применения солнечного теплоприёмника.
В таблице приведены данные суточного изменения удельного теплового потока солнечной радиации при наклоне под углом 460 к горизонту поверхности теплоприёмника на широте 560 с.ш. при наклоне к горизонту теплоприёмника под углом 460 при южной ориентации (Москва - Казань - Курган - Красноярск - Братск)
| Дата замеров по месяцам | 21.01 | 21.02 | 21.03 | 21.04 | 21.05 | 21.06 |
| Суммарная дневная радиация | 2938 | 5154 | 6508 | 7185 | 7474 | 7508 |
При вертикальном расположении оконного остекления удельный тепловой поток примерно на 25% будет меньше данных в таблице.
ПРИМЕР расчета к практическому применению алтернативного нагревателя воды:
В подмосковном коттедже устроена система горячего водоснабжения от теплоты солнечной радиации. Применяемые солнечные коллектора имеют поверхность 1 м2 и коэффициент отражения Вот = 0,68.
Требуется: определить количество нагретой воды в трёх коллекторах, установленных на крыше коттеджа с южной ориентацией под углом 460 к горизонту.
Решение: По формуле вычисляем количество теплоты солнечной радиации в дневное время, поступающей на три коллектора.
В апреле количество поступающей в дневные часы теплоты солнечной радиации:
Qт.с.р.4 = 3 * 7185 * 0,68 = 14657,4 Вт*ч/сут.
Температура водопроводной воды в апреле tх.вод. = 120С, определяем количество нагретой за сутки воды для системы ГВС:
Qг.в.4 = Qт.с.р.4 * 3,6/Сw(tг.в.4 - tх.в.4) = 14657,4 * 3,6/4,2 * (50 - 12) = 261,7 кг/сут.
В мае при температуре водопроводной воды в 160С количество нагретой воды составит 297 кг/сут.
Соответственно в июне при температуре водопроводной воды 180С, количество нагретой воды составит 313 кг/сут.
Автор: Сергей Южный