От чего зависит срок службы лампы накаливания? Конечно от условий эксплуатации, а если точнее от режимов работы. Первое это сколько лампа всего горела часов и второе как быстро на нее подавали напряжение при включении. Дело в том, что при быстрой подаче напряжения, через наш обычный выключатель, напряжение поступает мгновенно, моментально меняется и температура нити накаливания лампы, от комнатной до нескольких сотен градусов. Такие перепады не могут не сказаться на сроке службы нити и самой лампы. Поэтому нити часто перегорают именно в момент включения и лампу можно выбрасывать. Решением проблемы является постепенное, плавное включение ламп. Такое включение значительно продлит срок службы ламп накаливания.
В данной статье мы предложим вашему вниманию пару схем, для плавного включения ламп накаливания. Первая схема не является регулируемой. В этой схеме происходит плавное повышение напряжение питание лампы до номинального, но регулирование напряжения невозможно.
Схема № 1 плавного включения ламп накаливания
Алгоритм работы схемы следующий. При включении переменное напряжение поступает на диодный мостик, после диодного мостика имеем постоянное напряжение. Через сопротивление R1, напряжение поступает на управляющий контакт тиристора (положительный потенциал). Тиристор открывается но не полностью, так как если говорить языком дилетанта, часть тока идет на зарядку конденсатора С1. По мере зарядки конденсатора, ток в его цепи уменьшается, соответственно в цепи управляющего контакта тиристора увеличивается. Тиристор открывается полностью, лампа начинает светится в полный накал.
Минусом данной схемы плавного регулирования, является постепенное повышение напряжения при включении, но мгновенное отключение при выключении. Так как выключатель фактически ограничивает подачу напряжения в схему для управляющего тиристора мгновенно. Для изменения ситуации, достаточно перенести выключатель в цепь между диодным мостиком и резистором R1, на схеме это место выделено красным кругом. При этом после выключения выключателя, конденсатор будет разряжаться на управляющий контакт тиристора и тиристор закроется постепенно, обеспечивая плавное гашение света ламп.

Схема 1 Плавное включение лампы накаливания. Многие из собиравших жаловались на моментальное включение лампы, без эффекта плавного розжига.
Схема 2 плавного включения ламп накаливания с эффектом регулирования
Вторая схема имеет возможность регулировки поступающего напряжения на лампу накаливания. В принципе эта также первая схема за исключением того, что в ней применен переменный резистор вместо постоянного. Принцип работы схемы тот же что и в предыдущей схеме.

Схема 2 Плавное регулируемое включение лампы накаливания
Напряжение регулируется в пределах примерно от 120 до 220 вольт. Многие из собиравших жаловались на маленький диапазон регулирования.
Применение радиоэлементов в схеме плавного регулирования света
В схемах возможно применение как отдельных диодов так и сборок диодных мостиков с пропускным током не менее 3 А. Вместо тиристора Т122-25-5-4, возможно применение тиристора Т122-20-11-6 или серии КУ202 с индексом К,Л и М.
В схемах возможно применение конденсатора электролитического или для переменного тока. В случае применения электролитического конденсатора полярность установки производится согласно второй схеме. Рабочее напряжение конденсатора не менее 300 вольт.
Применяемые резисторы мощностью не менее 0,25 Вт.
Схема 3 плавного включения ламп накаливания

Схема 2 Плавное включение лампы накаливания
Как работает схема:
После подачи питания транзистор VT1 полностью открывается и переменное напряжение на правом выводе резистора R1 мало. Следовательно VS2 не открывается (ему нужно где-то 30 Вольт) и не открывает VS1. По мере зарядки конденсатора С3 транзистор VT1 плавно закрывается, уменьшая протекающий ток в его цепи эмиттер-коллектор, при этом переменное напряжение на правом выводе R1 растёт и VS2 начинает кратковременно открываться - на пиках переменного напряжения - открывая и VS1, который так же кратковременно включает лампу в цепь.
В момент, когда напряжение на выводах VS1 равно нулю (переход через ноль переменного напряжения), VS1 полностью закрывается, то есть схема управляет не величиной напряжения на нагрузке, а временем, в течение которого нагрузка подключена к цепи. Это аналог ШИМ-регулятора.
Чем больше заряжается конденсатор C3, тем больше по времени открыт VS1 и, соответственно, больше по времени нагрузка подключена к сети 220В.
Лампа, слегка помаргивая в начале процесса, плавно разгорается от 0 до полного накала за 10 секунд.
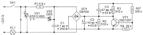
Схема 4 плавного включения ламп накаливания на транзисторе
Еще одна схема все с той же функцией плавного включения ламп, но где регулирование осуществляется за счет транзистора

Принцип работы схемы повторяет аналогичные схемы выше, то есть когда на управляющем затворе появляется потенциал. Исключением является применение транзистора, в качестве управляющего радиоэлемента. При этом потенциал зависит от сопротивлений R1, R2 и конденсатора C1. Именно резисторы управляют процессом зарядки конденсатора, а после, когда он уже зарядился, он поддерживает потенциал для затвора. В итоге, процесс "розжига" лампы будет зависеть от сопротивления резисторов и от емкости конденсатора.
На какое напряжение конденсатор C1?
по фазе 2: именно поэтому (в связи с узостью зоны нестабильности у тиристора) напряжение на УЭ тиристора нужно подавать импульсами в нужные моменты времени.
по фазе 3: насчет САМОБЛОКИРОВКИ тиристора (симистора) - самоблокировки происходить не будет, т.к. питается цепь не постоянным, а пульсирующим током (с диодного моста).
Для верной работы схемы, то есть для плавного зажигания её, надо использовать либо полевой транзистор в схеме с постоянным напряжением питания, либо, в случае тиристора(симис тора), переменное напряжение питания схемы.
3 ФАЗА) Напряжение на УЭ тиристора достаточно для его полного открытия (да-да, в курсе, что он токовый, упрощаю же), тиристор открывается полностью и САМОБЛОКИРУЕТСЯ , то есть теперь можно вообще убрать управляющее напряжение, он всё равно будет открыт до тех пор, пока не отключат питание.
2Всем.
Смехотворно, просто смехотворно! Тиристор и симистор прибор КЛЮ-ЧЕ-ВОЙ, два состояния - открыт-закрыт.
Смотрим на схему и проходим процесс включения:
Постоянное(ВАЖНО!) напряжение подаётся на управляющий электрод тиристора(симис тора) через время задержки Tx, обусловленное характеристикой RC-цепочки R1-C1.
Исходя из того, что тиристор(симист ор) прибор ключевой, что произойдёт?
1 ФАЗА)Пока напряжение на управляющем электроде будет НИЖЕ порога открывания тиристора, тиристор будет полностью закрыт и лампа не будет светиться ВООБЩЕ.
Ещё одним недостатком данной схемы является то, что управляющий яркостью свечения лампы полупроводник (тиристор\симис тор\транзистор) работает в режиме сопротивления, а следовательно может сильно греться и из-за этого мощность нагрузки, подключаемой к устройству, сильно ограничена. При фазо-импульсном управлении мощность нагрузки может быть значительно увеличена, вплоть до нескольких киловатт.
Фазо-импульсный это как?
Для этих целей лучше фазо-импульсный способ открывания тиристора, он и экономичный и регулирует от нуля...