Какую большую роль для нас играет зрение, а вместе с тем и свет, с помощью которого мы видим, говорить излишне. Именно поэтому для нас столь значительную роль в оформлении интерьера играют световые приборы. Где-то они совсем простые, вроде БРА или потолочных светильников, а где-то и более изящные. А чем сложнее световой прибор, тем более сложную схему подключения он и потребует, что само по себе вполне разумеющееся заключение. Вот например люстра, она обычно подразумевают возможность подключения двух цепей с лампами, тем самым изменяя освещенность в комнате от приглушенной, так скажем интимной, до яркого света.
Управление люстрой по трем проводам
Все мы уже привыкли, что люстра с двумя режимами управляется по трем проводам. Фактически в этом случае реализованы две параллельные цепи для каждой из группы ламп люстры. Каждая из цепей начинается с выключателя, чтобы тем самым коммутировать нужную цепь и включать желаемые лампы. Такой вариант можно назвать общепринятым. Он прост и при его реализации можно обойтись минимальными вложениями – одним дополнительным проводом от выключателя до люстры. О таком варианте подробно рассказано в одной из наших статей «Подключение люстры».
Однако у такого варианта есть и недостатки, это как раз третий провод, который мы упомянули как достоинство минимизировать вложения в схему подключения. Ведь представьте такой вариант, когда стены заштукатурены, а обои наклеены. Здесь пробросить третий провод быстро и беспроблемно уже вряд ли получиться. Здесь два варианта. Это купить люстру, которая будет иметь несколько режимов подсветки, и управляться с пульта управления. Второй вариант это реализовать схему, которая бы обеспечила пошаговое включение для каждой из групп ламп, в зависимости от количество переключений управляющего выключателя. Именно о таких вариантах мы и расскажем далее…
Управление люстрой по двум проводам (схемы)
В нашем случае будет приведено несколько вариантов управления люстрой по двум проводам. Каждый из вариантов будет иметь свои плюсы и минусы, про которые мы расскажем в процессе описания каждого из возможных случаев подключения. А теперь по порядку…
1 Вариант управление люстрой по двум проводам
Первый вариант самый простой, но и самый «ущербный». Он не потребует высокой квалификации от человека, который будет его реализовывать, а также применения множества радиодеталей. Но минус его в том, что уровень эксплуатационных характеристик при этом будет также не высок. Все дело в том, что в схеме используется особенность нашей сети питания, которая как мы знаем выдает переменный ток, с частотой 50 Гц. Также свойство диодов, которые пропускают этот самый ток лишь в одном направлении. Взгляните на схему.

Когда полуволна проходит в одном из направлений, то ток идет через диод до лампы и через диод за выключателем, но при этом расположенный в том же направлении. То есть ток может пройти только через диоды работающие в паре, если так можно сказать. Аналогичная ситуация при прохождении полуволны в обратном направлении. Теперь ток идет через диод перед выключателем и через диод за лампой, при этом диоды также установлены в одном и том же направлении. Итак, как вы уже поняли схема очень простая, смонтировать ее очень просто. Минусов является то, что лампы будут светить в пол накала, так как это будет одна полуволна, то есть напряжение 110 вольт. Также будет присутствовать эффект мерцания, ведь в этом случае частота питания станет также половинной – 25 Гц. Именно об этих низких эксплуатационных характеристиках мы и упоминали ранее.
2 Вариант управление люстрой по двум проводам
Этот вариант можно назвать несколько инновационным. А вот почему!? Это вы поймете из описания принципа работы данной схемы. Прежде взгляните на нее…

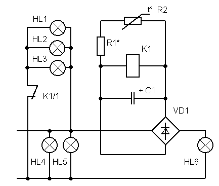
При замыкании цепи включаются все лампы HL4-6 включенные напрямую и HL1-3 включенные через контакты реле. Но здесь сразу срабатывает само реле, тем самым отключая лампы HL1-3. Далее в работу вступает терморезистор, который при протекании через него тока начинает менять свое сопротивление, оно уменьшается. В итоге сопротивление меняется до того, что при следующем срабатывании выключателя, ток уже проходит преимущественно через него, а не через обмотку реле. В этом случае реле не срабатывает, и горят все 6 ламп. Здесь важно с помощью резистора R1 найти такое напряжение, чтобы при холодном терморезисторе напряжения хватало на срабатывания реле, а при нагретом его было достаточно для удержания, но не хватало для срабатывания…
Применяемые радиодетали: Реле К1 - малогабаритное с сопротивлением обмотки порядка 300 Ом, напряжением срабатывания 7 В и напряжением отпускания 3 В. резистор R2 - три соединенных параллельно терморезистора СТ3-17 сопротивлением около 330. Резистор R1 типа МЛТ-0,25 сопротивлением несколько десятков Ом. Придется подобрать. Диодный мостик типа КЦ407А. Конденсатор C1 - 50мкФ х 16 В.
Если говорить недостатках этой схемы, то это во первых необходимость настройки под параметры реле и терморезистора. Второе, что вы не сможете переключить свет вновь на меньший, пока не остынет терморезистор. Третья схема лишена этих недостатках, при этом не сложнее…
3 Вариант управление люстрой по двум проводам
Третий вариант заимствован из журнала «Радио», аж за 1984 год. Но эта схема до сих пор актуальна! Давайте взглянем на нее…

Здесь все очень просто и логично. Первоначально включаем лампу H1 и при этом срабатывает реле К1, которое через свои контакты и диод начинает заряжать конденсатор. При кратковременном отключении контакты реле К1 размыкаются, тем самым конденсатор начинает питать обмотку реле К2. Пока реле сработало, это несколько долей секунды или секунд. Здесь все зависит от потребления реле и емкости конденсатора. Вы должны вновь включить выключатель. В этом случае реле самоподхватится и в итоге загорятся все лампы. Минусом схемы является то, что надо вовремя включать выключатель, когда реле К2 еще питает конденсатор. Только в этом случае можно будет обеспечить включение всех ламп.
4 Вариант управление люстрой по двум проводам
Этот вариант кроме того что не предусматривает никакой настройки, так он еще и не имеет каких либо ограничение по временному алгоритму включения ламп. Как схемы 2 , где есть зависимость от температуры резистора и схема 3, где надо успеть включить выключатель второй раз, пока еще не отключилось реле K2. Смотрим схему…

Здесь для срабатывания реле применен тот же самый принцип, что мы рассматривали для схемы 1. Только в этом случае срабатывает реле, а не лампы. В итоге реле в состоянии коммутировать уже «полноценный» ток и напряжение для свечения ламп. Кроме того, если реле имеют сдвоенные коммутируемый контакты, то можно реализовать и третий канал, для подключения третей группы ламп. Через контакты К1.2 и К2.2. Схема не имеет практически никаких недостатков. Разве что нужны будут пару реле на 110 вольт. Конденсаторы ставятся для уменьшения влияния индукционного тока на обмотки реле и для стабилизации тока от перепадов переменного напряжения сети.
Резюмируя реализацию возможности управление люстрой по двум проводам
Итак, резюмируя все вышеприведенное можно акцентировать внимание на двух вариантах. Это вариант 1, когда подключение максимально простое. Его стоит попробовать со светодиодными лампами, где есть встроенные конденсаторы, что несколько смягчит моргание.
Второй вариант, если вы чувствуете в себе силы, что сможете реализовать несложную радиоэлектрическую схему, это использование 4 случая. Вариант лишен каких-либо недостатков, не требует наладки и определенных алгоритмов по включению ламп люстры.