Теплый пол стал для нас реальностью совсем недавно. И до сих пор мы воспринимаем его как технологическую новинку, которая приносит в наш дом уют и комфорт. Между тем, теплые полы известны человечеству очень давно, их устраивали в своих термах еще древние римляне. А самой древней системе обогрева пола, найденной на территории современной Швеции, по мнению ученых около шести тысяч лет.
В настоящей статье мы рассмотрим все преимущества и недостатки водянного теплого пола и варианты материала и оборудования, с применением которого можно сделать водяной пол своими руками
Преимущества водяных полов
· Позволяют обогревать большие площади и существенно экономить на теплоэнергии (до 12% по сравнению с радиаторным отоплением).
· Обеспечивают комфортный для человека тепловой режим: 22-24 градуса тепла на уровне ног и 20 градусов на уровне головы.
· Гарантируют минимальную скорость конвективных потоков воздуха, не поднимающих пыль благодаря малой разнице между температурой пола и воздухом.
· Дают возможность равномерно обогревать помещение, не создавая перегретых или холодных зон.
· Эффективно борются с сыростью, но при этом позволяют сохранить оптимальную влажность воздуха, необходимую для нормального самочувствия человека, что благотворно сказывается на здоровье, особенно детей, пожилых людей и тех, кто страдает аллергическими заболеваниями.
· В отличие от радиаторов способны аккумулировать тепло, поэтому могут поддерживать оптимальную температуру в течение нескольких часов даже при отключении циркуляции теплоносителя.
· Предназначены для длительной эксплуатации. Срок службы полимерных труб, используемых при монтаже водяных полов, составляет 50 лет.
· Не требуют специального технического обслуживания в ходе эксплуатации.
· Не создают электромагнитных полей.
· Позволяют для нагрева воды использовать различные источники энергии, в зависимости от того, что экономически более выгодно в каждом конкретном случае.
· В отличие от радиаторного отопления, не портят интерьер помещения.
Минусы тепловых полов
Водянные полы также кроме плюсов к сожалению имеют и минусы.
- Последовательное подключение трубопровода при повреждении одной секции или участка не позволит отключить часть системы и эксплуатировать далее. В случае протечек необходим будет ремонт, при этом ремонт дорогостоящий. Водянные полы одни из наиболее дорогостоящих проектов теплого пола относительно вариантов нагрева тепловым кабелем или инфокрасной пленкой;
- Значительный срок монтажа и трудоемкость о которой уже было сказано;
- Ограничекнная нагрузка на еденицу площади пола. Все зависит от исполнения но как правило нагрузка значительно ниже чем для кабеля или инфокрасной пленки.
Особенности исполнения теплого водянного пола
Существует две наиболее распространенные схемы укладки: змейкой (зигзагом) или спиралью (улиткой). Преимуществом первого варианта является простота и скорость монтажа, достоинством второго – возможность обеспечить максимально равномерный нагрев , а также более интенсивно прогревать сильно промерзающие зоны, например, у окна или балконной двери, за счет использования в этих местах минимального шага укладки.

1 – Труба для водяного теплого пола сшитый полиэтилен PEX ; 2 – Теплоизоляционный материал (маты), техническая пленка, арматурная сетка; 3 – Завязки для труб водяного теплого пола (крепежная проволка);4 – Демпферная лента из пористого полиэтилена с клейкой основой для крепления к стене и изоляции; 5 – Направляющая для трубы; 6 – Стяжка; 7– Блок управления системой водяного теплого пола (описан в разделе ниже);
Водяные теплые полы бывают двух типов: «мокрые» - когда змеевик замоноличивается в цементно-песчаную стяжку, и «сухие» - когда трубы укладываются в специальные металлические теплораспределительные пластины (для деревянных полов).
Бетонная стяжка для теплого пола
Особенностью бетонной стяжки является то, что после ее укладки требуется как минимум 21 день для ее твердения. Кроме того, утеплитель,трубы, стяжка и верхнее покрытие «съедают» в миниум 8-10 а то и более сантиметров от высоты помещения, что нужно учитывать, особенно если высота потолков невелика. Металлические пластины чаще всего используют там, где применение бетонной стяжки невозможно, например, если теплый пол укладывается на деревянное перекрытие.
Бетон обычного состава не подходит для нагревательных пластин. Поэтому, чтобы сделать его эластичным, а также улучшить контакт с трубой, в состав смеси добавляют пластификатор. Необходимо неукоснительно придерживаться норм расхода пластификатора для батона. Если пластификатор будет отсутствовать в составе или находиться не в регламентированном количестве, нагревательный настил начнет трескаться. В стяжку рекомендуется добавлять “цементную добавку” для гомогенизации и увеличения уровня теплопроводности. Расход: около 0,2 л/кв.м. при толщине бетонного слоя 70 мм. Высыхание стяжки до 21 дня.
Пример цементной добавки:

Цементная добавка Uponor
Добавляется в цементный раствор для гомогенизации (предотвращения растрескивания) и увеличения уровня теплопроводности. Расход: около 0,2 л/м2 при толщине бетонного слоя 70 мм. Высыхание в течение 8 дней
Трубы и фитинги для их установки при монтаже водяного пола
Нет смысла экономить и на материалах: только качественные пластиковые трубы могут обеспечить комфортную и длительную эксплуатацию водяного пола. Поскольку трубы год полом заливаются бетоном и в случае их повреждения приходится взламывать пол, к ним предъявляют очень высокие требования. Для теплых полов используют отопительные трубы, а не предназначенные для горячего и холодного водоснабжения. Трубы должны иметь 100-процентную герметичность, защитный слой, который препятствует кислородной диффузии, и изгибаться вручную. Коэффициент их линейного расширения должен быть меньше либо равен 0, 025 Мм/мК, показатель теплопроводности - 0, 43 Вт/мК. Еще одно обязательное условие: для прокладки в одном помещении нужен цельный кусок трубы. А срок службы должен соизмеряться со сроком жизни здания. Поэтому лучше использовать трубы известных производителей. Водяные теплые полы, по сути, представляют собой змеевик из труб диаметром от 16 до 20 мм, по которым циркулирует нагретая вода. Трубы обычно используются пластиковые или металлопластиковые, расстояние между двумя трубами порядка 100 – 300 мм. Применяемые трубы не должны быть подвержены коррозии, их внутренний диаметр должен сохраняеться неизменным в течение всего срока службы, на стенках не должны накапливаються отложения, также они не должны коррозируя истончаться. Коррозионостойкость также будет защищать и отопительную систему и котел.
Пример применяемых материалов:

Труба для водяного теплого пола PEX-С «Copex» фирмы Oventrop. Труба с защитным покрытием, предотвращающим диффузию кислорода. Максимальное давление и температура: 6 бар при 90° цельсия и 10 бар при 60° цельсия.

Угловой фиксатор для трубы водяного теплого пола Uponor, Ø20
Обеспечивает изгиб труб на 90 градусов от коллектора, материал оцинкованная сталь.

Крепежная проволока Uponor
Для быстрого крепления труб Uponor к арматурной сетке.
Изготовлена из стали.

На рисунке выше показаны уложенные трубы готовые к заливке.
Термоизоляция пола.
Для термоизоляции применяют любой пористый материал: как обычный пенопласт, так и усовершенствованные разновидности - экструдированный пенополистирол (стиродур, изофарм, полиизол), прессованный полистирол. Существует также специальный материал - терамплен, с уже наклеенной на него фольгой, на которой сделана разметка для ровной укладки труб. Толщина изолирующего слоя должна быть не менее 22 мм, на грунтовом полу или в неотапливаемом помещении - не менее 30 мм. Для того чтобы исключить образование теплового моста между нагревательной пластиной и стенами, прокладывают либо демпферную ленту, либо тонколистовой пенопласт.
Пример применяемого материала:

Монтажный мат для сухой укладки Oventrop. Из пенополистирола. Размеры: 1000 мм х 500 мм х 25 мм.Максимальная нагрузка: 60 кН/м2.

Краевая изоляция Oventrop
С перфорированной самоклеящейся пленкой, высота: 150 мм, толщина: 10 мм из вспененного полиэтилена.
Система управления, фитинги и другое дополнительное оборудование
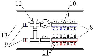
Однако было бы заблуждением думать, что водяной теплый пол состоит только из труб, потребуется дополнительное оборудование и материалы, которые обеспечат правильную и бесперебойную работу всей системы. Фактически далее идет ведомость спецификация для позиции 7 схемы в самом начале статьи.

Описание составляющих системы управления теплым водяным полом

8 – Коллектор системы водяного теплого пола с расходомерами (Выполняет функцию распределения теплоносителя по контурам.Оборудован регулируемыми расходомерами. Изготавливается из «хирургической» нержавеющей стали. В подводящую магистраль встроено по одному верхнему счетчику на каждый отопительный контур, позволяющему точно и удобно отрегулировать расход воды, не пользуясь инструментами. Через смотровое окошко можно проверять объем протекающей воды. Диапазон значений индикатора - от 0,5 до 5,0 л/мин. Регулирующий вентиль (показатель КVS = 0,91 м3/ч) можно перекрывать.);

9 – Комплект шаровых кранов для системы водяного теплого пола(Подключение (отключение) магистральных труб и системы водяного теплого пола. Состоит из 2 шаровых кранов 5/4" х 3/4" с никелированным покрытием);

10 – Сервопривод (Соединен непосредственно с регулятором температуры в отапливаемом помещении. Выполняет функцию закрытия/открытия отопительного контура, имеет два положения: «полностью открыт»/«полностью закрыт». Штекерное подлючение к распределителю отопительного контура (включен в объем поставки). Оптическая индикация функционирования и контроль согласования.);

11 – Соединитель для системы водяного теплого пола с уплотнением евроконус (Предназначен для присоединения трубы теплого пола к коллекторам. Состоит из: опорной втулки с «евроконусом», зажимного кольца из искусственного материала и латунной накидной гайки 3/4" с никелированным покрытием);


12 – Насосно-смесительный блок (Предназначен для децентрализованной автоматической стабилизации температуры воды в подающем трубопроводе в системах отопления пола большой площади в жилых помещениях, например, в коттеджах на одну семью, в собственных квартирах и т.д. Выполняет функцию регулирования (в зависимости от наружной температуры) температуры в прямой магистрали за счет подмешивания воды из обратной линии. Состоит из следующих компонентов: 3-ходовой вентиль, присоединительная резьба М30 х 1,5 мм, Dn20, для постоянной характеристики регулирования в сочетании со следующими компонентами: регулятор температуры с накладным датчиком и теплопроводным цоколем, устанавливается в диапазоне: 20-50 °С; энергосберегающий циркуляционный насос 15/60 со встроенным электронным устройством регулирования мощности; по выбору: лево- или правосторонний монтаж/ вариант присоединения в шкафу РУ, скрытый монтаж, перед распределителем отопительного контура предварительно смонтирован для левостороннего размещения непосредственно в шкафу распределительного устройства системы, скрытый монтаж; готовый электромонтаж с подключением к сети; присоединение первичной стороны: внутренняя резьба 5/4 ", плоское уплотнение, подходит для непосредственного подключения шарового крана; присоединение вторичной стороны: наружная резьба 5/4 ", плоское уплотнение, подходит для непосредственного подключения распределителя отопительного контура);
13 – Коллекторный шкаф (Предназначен для размещения распределителя отопительного контура и центрального узла для регулирования температуры нагрева для отдельных помещений состоит из: монтажной рамы из листовой стали с горячим цинкованием, верхняя сторона с противоударным упрочнением; составной рамы и дверцы, оцинковка электролитическим методом; задней стенки с 2-съемными шинами для крепления коллектора, включая верхнюю несущую шину; регулируемых по высоте монтажных опор; регулируемой по глубине и съемной составной рамы, упаковываемой отдельно; дверцы закрываемой поворотным ключом; боковых стенок с подготовленными отверстиями для присоединения подающего и обратного трубопровода)
Краны 9 подсоединяются непосредственно в систему горячей воды - стояков в квартире или проведенных трубопроводов для системы теплого пола в частном доме.
Источник энергии для теплого пола.
При монтировании теплого водяного пола в городской квартире его можно подключить к системе центрального отопления (только это необходимо обязательно согласовать с соответствующими органами). А в загородном доме необходимо предусмотреть автономный источник энергии, который будет подогревать воду. Чаще всего для этого используются газовые котлы - с учетом сложившейся системы цен на энергоносители для нашей страны они особенно актуальны. Среди предложений, представленных на российском рынке, особого упоминания заслуживает продукция компании Buderus, которая предлагает широкий ассортимент надежного котельного оборудования. Особое внимание стоит обратить на конденсационные котлы, которые, при использовании водяных полов позволяют, по сравнению с обычными котлами, сэкономить до 35% топлива. С учетом той экономии, которой позволяет добиться установка водяного пола, это позволит существенно сократить затраты на отопление коттеджа или дачи: несмотря на то, что первоначальные затраты на покупку такого оборудования могут быть относительно высокими, но они быстро окупятся при эксплуатации.
Еще одним источником энергии для водяного пола может стать тепловой насос. В качестве источника тепла он способен использовать грунт, температура которого на глубине даже в сильные морозы не опускается обычно ниже +5 градусов. Тепловой насос позволяет три четверти энергии, необходимой для водяного пола, брать из окружающей среды, что, конечно же, очень экономически выгодно и экологически целесообразно. Установка тепловых насосов оправдывает себя в домах с хорошей теплоизоляцией, которая сводит потери тепла к минимуму. В Европе широко применяются тепловые насосы Viessmann и Stiebel Eltron, которые отличаются высокой надежностью работы, удобством эксплуатации и пониженным уровнем шума.
Напольное покрытие при монтаже теплого водяного пола.
Сложная инженерная система водяного пола по окончании работы будет полностью скрыта от глаз финишным напольным покрытием – вскоре создастся полная уверенность, что именно оно делится с вами теплом и комфортом. Поэтому именно от качества и фактуры напольного покрытия во многом зависит то, насколько владелец дома будет доволен своим теплым полом. Подходящим покрытием для водяного пола считается керамическая плитка – она обладает хорошей теплопроводностью, устойчива к истиранию, не подвержена деформации при перепаде температур или влажности, позволяет добиться идеально ровной поверхности. Для достижения максимального комфорта рекомендуется использовать плитку толщиной не более 30 мм. На отечественном рынке сегодня присутствует множество компаний, предлагающих качественную продукцию. Однако, хотя использование керамической плитки становится все более модным и она часто используется не только в ванной или на кухне, для жилых комнат многие хозяева предпочитают все же деревянное покрытие. Здесь лучше всего с теплым полом сочетается ламинат, по сравнению с паркетом он более удобен в монтаже и эксплуатации. Но для укладки нужно обязательно выбирать такую разновидность ламината, которая предназначена именно для теплого пола, об этом говорит специальная маркировка. В соответствии со стандартами тепловое сопротивление материала не должно превышать допустимого значения R1 = 0,15 м2*К/Вт. Текстильные покрытия, линолеум, дерево необходимо приклеивать специальным термоустойчивым клеем. Стелить же паркет нужно при влажности не менее 4 %. Штучный паркет и паркетная доска более подвержены деформации при изменении температуры и влажности, поэтому решение об их укладке нужно принимать, учитывая все факторы риска.
P.S. Производители оборудования для теплых полов: Термотех, Oventrop, Uponor